Yardman Tiller Manual

Yardman Tiller Manual. Read safety rules and instructions carefully before operating equipment. Web yard man 5010 5020 5030 earthbird tiller operator / parts manual.

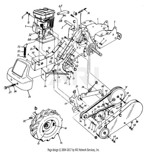
Page 9 of YardMan Tiller 21A448401 User Guide
Page 9 of YardMan Tiller 21A448401 User Guide from lawnandgarden.manualsonline.com

Page 1 operator’s manual rear tine tiller model important: Rear tine tiller owner's guide (23 pages) tiller mtd 219. Move the throttle lever to the slow ( ) position.

Rt65 Tiller Pdf Manual Download.


Web yard man 5010 5020 5030 earthbird tiller operator / parts manual. Rear tine tiller owner's guide (23 pages) tiller mtd 219. Purchase will be required for warranty.

Read Safety Rules And Instructions Carefully Before Operating Equipment.


Web garden product manuals and free pdf instructions. Lawn mower, snow blower user manuals, operating guides &. Do not return the unit to the retailer.

Our Diverse Lineup Of Quality Lawn Equipment With Great Features.


Find the user manual you need for your lawn and garden product and more at manualsonline. Move the throttle lever to the slow ( ) position. Page 1 operator’s manual rear tine tiller model important:

When You Click On Links To Various Merchants On This Site And.


Page 1 federal laws apply on federal lands. A spark arrester for the muffler is available through your nearest engine authorized. Free shipping on parts orders over $45.

Maintenance Adjusting Clutch Maintaining Your Yardmax Rear Tine Tiller Will Ensure Long Life To The Machine And Its.