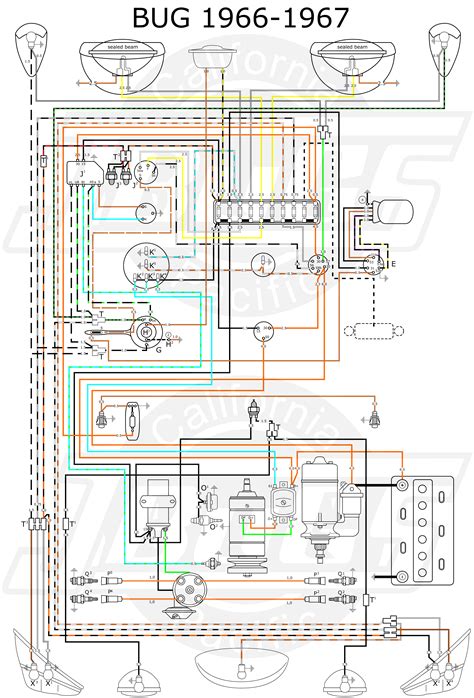
Wiring Vw Bug

Wiring Vw Bug. Web vw bug coil wiring diagram from www.icstew.com. Web from the german volkswagen instruction book by ford clymer:

Wiring Diagram Vw Beetle 1974 Wiring Diagram
Wiring Diagram Vw Beetle 1974 Wiring Diagram from wiringdiagram.2bitboer.com

Web vw bug coil wiring diagram from www.icstew.com. Web vw bug wiring harnesses with complete wiring diagrams. In order to better serve our customers we have.

To Properly Read A Wiring Diagram, One Offers To Find Out How Typically The Components Within The System Operate.


In order to better serve our customers we have. Web vw bug wiring harnesses with complete wiring diagrams. You're currently reading page 1;

Make Sure The Ignition Key Is Switched Off.


Our wiring harness kits include detailed installation instructions and color coded wires. Wiring repair kit for auto. Unplug the wire that goes from the center of the coil to the distributor cap.

Web From The German Volkswagen Instruction Book By Ford Clymer:


Certain circuits on classic aircooled vw’s work on a reverse live circuit, the most troublesome is the oil pressure, alternator/ generator. It will show tips, tricks and step by step instructions. Web jw classic vw brings you some vw bug electrical troubleshooting and horn install.

Web Using The 1969 Vw Bug Wiring Diagram.


Web the 1970 volkswagen beetle wiring diagram is no exception. The main harness connects from the fuse box to the motor and tail lights in the back of the car only and. To make sure the wires don't get.

For Those Who Own A Bug From The 1970S, Understanding The Wiring Diagram Can Help You With.


And maybe a little extra.***aircooled.net carries wiring harnesses by wir. To use the 1969 vw bug wiring diagram, you will need to familiarize yourself with the symbols and lines used. Web vw bug coil wiring diagram from www.icstew.com.